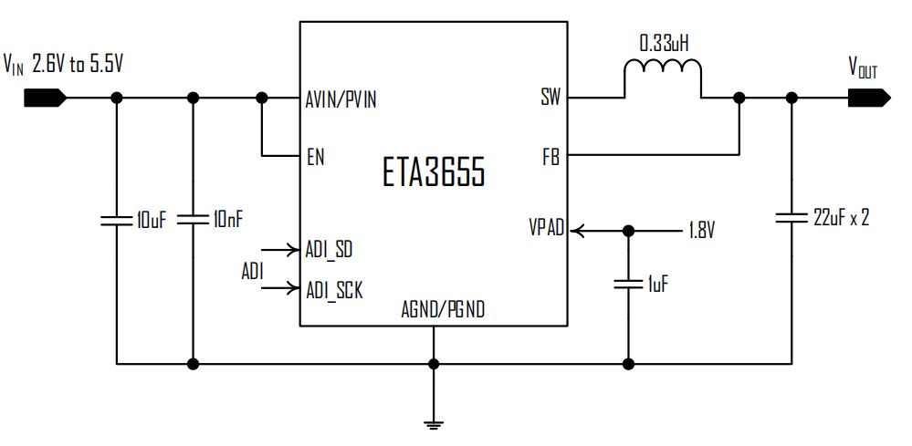
ETA3655
5A, 2MHz ADI Controlled Output Synchronous Step-Down Converter
The ETA3655 is a high-efficiency, DC-to-DC step-down switching regulator, capable of delivering up to 5A of pulse load. It integrates an ADI interface that dynamically scales the output voltages on demand.
