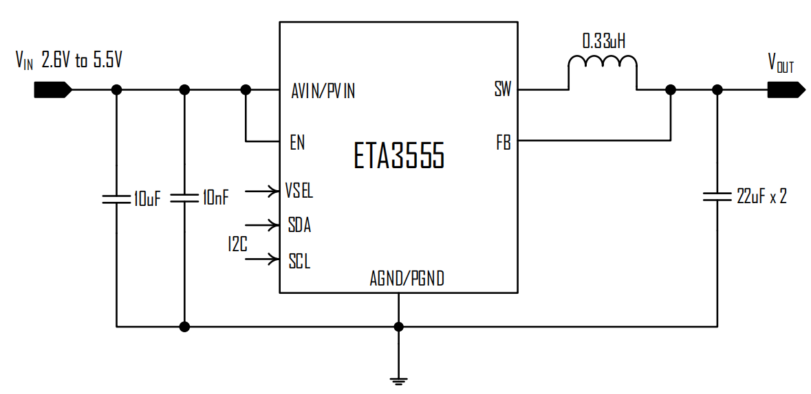
ETA3555
5A, 2MHz I2C Controlled Output Synchronous Step-Down Converter
The ETA3555 is a high-efficiency, DC-to-DC step-down switching regulator, capable of delivering up to 5A of pulse load. It integrates an I2C interface that dynamically scales the output voltages on demand.
